আজকে আমরা ব্যবহারিক ২ঃ টেলিভিশন সার্কিট ডায়াগ্রাম হতে ইলেকট্রনিক সিম্বল শনাক্তকরণ আলোচনা করবো। যা জেনারেল ইলেকট্রনিক্স ১ এর টেলিভিশন বেসিকস অংশের অন্তর্গত।

Table of Contents
ব্যবহারিক ২ঃ টেলিভিশন সার্কিট ডায়াগ্রাম হতে ইলেকট্রনিক সিম্বল শনাক্তকরণ
এটি সম্পন্ন করে একজন শিক্ষার্থী টেলিভিশন সার্কিট ডায়াগ্রাম হতে ইলেকট্রনিক সিম্বল শনাক্তকরণের দক্ষতা অর্জন করতে পারবে।
টেলিভিশন রিসিভারের নমুনা/মডেল
Samsung CS21M16MJZXNWT CRT TV বা ল্যাবে/ওয়ার্কসপে প্রাপ্যতা অনুযায়ী।
পারদর্শিতার মানদন্ড:
- স্বাস্থ্য বিধি মেনে ব্যক্তিগত নিরাপত্তা সরঞ্জাম (পিপিই) পরিধান করা
- প্রয়োজন অনুযায়ী কাজের স্থান প্রস্তুত করা;
- প্রয়োজন অনুযায়ী সার্কিট ডায়াগ্রাম সংগ্রহ করা ;
- কাজের প্রয়োজন অনুযায়ী সার্কিট ডায়াগ্রাম দেখে ইলেকট্রনিক সিম্বল নির্বাচন করা এবংকম্পোনেন্ট সংগ্রহ করা:
- প্রয়োজন অনুযায়ী মালামাল সংগ্রহ করা;
- কর্মক্ষেত্রের নিজস্ব বিধি অনুসারে টুলস ও মালামাল পরিষ্কার করে নির্ধারিত স্থানে সংরক্ষণ করা;
- কর্মক্ষেত্রের বিধি অনুযায়ী বর্জ্যসমূহ নির্ধারিত স্থানে অপসারণ বা সংরক্ষণ করা।

প্রয়োজনীয় যন্ত্রপাতি ও মালামাল
ব্যক্তিগত সুরক্ষা সরঞ্জাম (পিপিই)
ক্রমিক নং | সুরক্ষা সরঞ্জামের নাম | সংক্ষিপ্ত বিবরণ | পরিমাণ |
| ১ | ফেস মাস্ক | সার্জিক্যাল | ০১ টি |
| ২ | ইন্ডাস্ট্রিয়াল হ্যান্ড গ্লোভস | কর্মক্ষেত্রের বিধি অনুযায়ী | ০১ টি |
| ৩ | অ্যাপ্রোন | কর্মক্ষেত্রের বিধি অনুযায়ী | ০১ টি |
| ৪ | প্রোটেকটিভ গগলস | কর্মক্ষেত্রের বিধি অনুযায়ী | ০১ টি |
| ৫ | সেফটি সুজ | কর্মক্ষেত্রের বিধি অনুযায়ী | ০১ জোড়া |
| ৬ | ইলেকট্রোস্ট্যাটিক ডিসচার্জ ম্যাট | স্ট্যান্ডার্ড | ০১ টি |
প্রয়োজনীয় যন্ত্রপাতি
ক্রমিক নং | যন্ত্রপাতির নাম | সংক্ষিপ্ত বিবরণ | পরিমাণ |
| ১ | সোল্ডারিং আয়রন | ৪৫ ওয়াট/২২০ভোল্ট | ০১টি |
| ২ | ডিসোল্ডারিং পাম্প বা সাকার | স্ট্যান্ডার্ড | ০১টি |
| ৩ | ক্রু ড্রাইভার | স্ট্যান্ডার্ড | ০১টি |
| ৪ | লং নোজ প্লায়ার্স | ৫ ইঞ্চি হাই কোয়ালিটি | ০১টি |
| ৫ | কাটিং প্লায়ার্স | ৬ ইঞ্চি হাই প্রিসিসন | ০১টি |
| ৬ | এভোমিটার অ্যানালগ | SUNMA YX-360TR বা সমতুল্য | ০১টি |
| ৭ | ডিজিটাল মাল্টিমিটার | Sanwa CD800a বা সমতুল্য | ০১টি |
| ৮ | টেলিভিশন রিসিভার | Samsung S21M16MJZXNWT | ০১টি |
প্রয়োজনীয় সিম্বল (প্রতীক) এবং ডায়াগ্রাম:

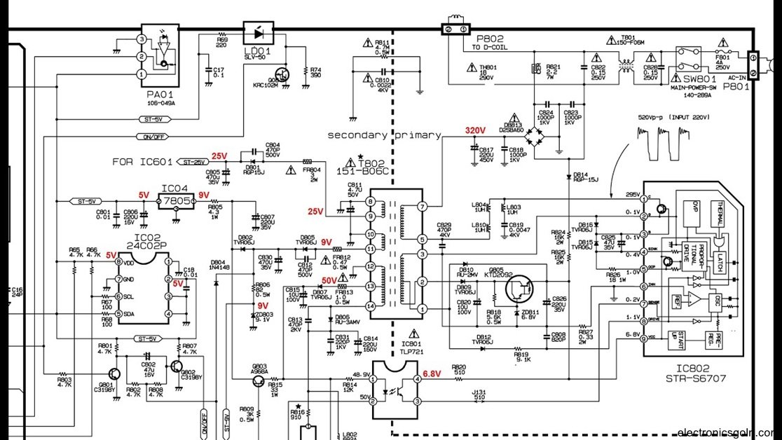
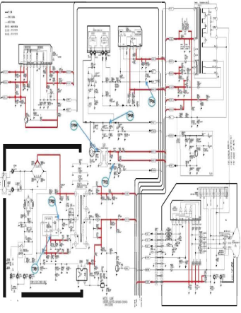
টিভি রিসিভারের সার্কিট ডায়াগ্রাম:

টিভি রিসিভারের ব্যবহৃত ইলেকট্রনিক্স কম্পোনেন্ট ও তাদের প্রতীক (সিম্বল):

কাজের ধারাঃ
১. ব্যক্তিগত সুরক্ষা সামগ্রী (পিপিই) পরিধান করবে।
২. সার্কিট ডায়াগ্রাম এবং টিভি রিসিভার সংগ্রহ করবে।
৩. স্ক্রু ড্রাইভার ব্যবহার করে সিআরটি টিভি রিসিভারের পিছনের কভার পৃথক করবে।
৪. টিভি রিসিভারের চেসিস হতে সার্কিট বোর্ড পৃথক করবে।
৫. সার্কিট ডায়াগ্রাম ব্যবহার করে টিভি রিসিভারের বিভিন্ন সেকশন শনাক্ত করবে।
৬. সার্কিট ডায়াগ্রাম অনুয়ায়ী বিভিন্ন সেকশনের কম্পোনেন্ট শনাক্ত করবে।
৭. সার্কিট ডায়াগ্রাম অনুযায়ী প্রতিটি কম্পোনেন্টের মান দেখে একটি তালিকা তৈরি করবে।
৮. প্রিস্টেড সার্কিট বোর্ডে ব্যবহৃত কম্পোনেন্টেগুলো ভালোভাবে পর্যবেক্ষণ করবে।
৯. টুলস ও ইকুইপমেন্টসমূহ পরিষ্কার করে নির্ধারিত স্থানে সংরক্ষণ করবে।
১০. বর্জ্যসমূহ নির্ধারিত স্থানে অপসারণ / সংরক্ষণ করবে।
ফলাফল:

সতর্কতাঃ
- কাজের শুরুতে ব্যক্তিগত সুরক্ষা সামগ্রী (পিপিই) পরিধান করা।
- টেলিভিশন সার্ভিসিং এ ব্যবহৃত টুলস ও ইকুইপমেন্টসমূহ সতর্কভাবে সংগ্রহ করা।
